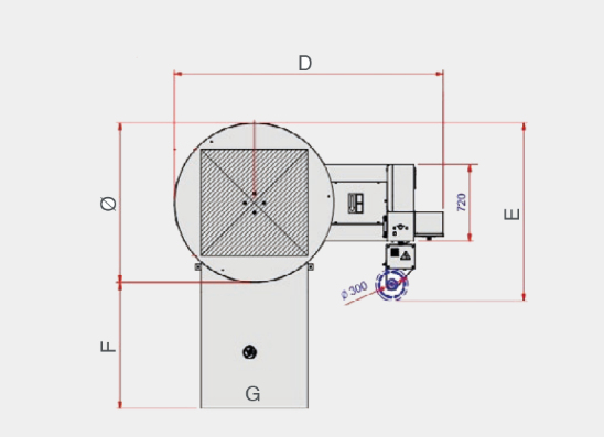
EKKO est l’indispensable dans la gamme des banderoleuses ou filmeuses semi-automatiques, la machine à plateau tournant !
Economie, simplicité d’utilisation… tout est là pour sécuriser vos palettes avec les meilleurs résultats pour le moindre effort !
Au choix, EKKO, la machine standard ou EKKO T3 avec son plateau échancré.









