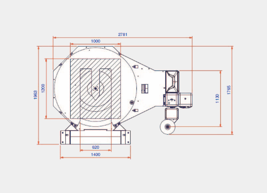
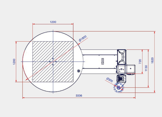
FREESBY se place comme le haut de gamme de la banderoleuse à plateau tourant.
Elle reste simple d’utilisation et confère des résultats avérés en termes de sécurisation de palettes avec un maximum d’économie pour la consommation de film. Elle est adapté à toutes les palettes de formats standards.
FREESBY se décline en différentes versions, nul doute que vous trouverez celle qui vous convient !


























