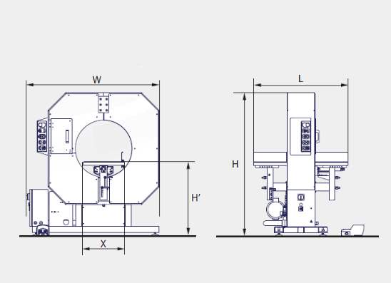
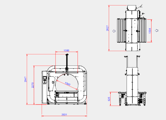
Tout ce que nous avons à emballer ou sécuriser n’est pas forcément disposé sur une palette. Il se peut que les produits se présentent de façon horizontale ou de forme longue très allongée.
LANDOIN emballages a la solution pour cela avec Wrappy, une machine manuelle ou automatique à anneau tournant pour le banderolage horizontal adaptée pour tous les cas « à part » !














